к требованиям по плавке гололеда
на проводах и грозозащитных тросах
линий электропередачи
Список изменяющих документов
(в ред. Приказа Минэнерго России от 11.08.2023 N 629)
(в ред. Приказа Минэнерго России от 11.08.2023 N 629)
(см. текст в предыдущей редакции)
(в ред. Приказа Минэнерго России от 11.08.2023 N 629)
(см. текст в предыдущей редакции)
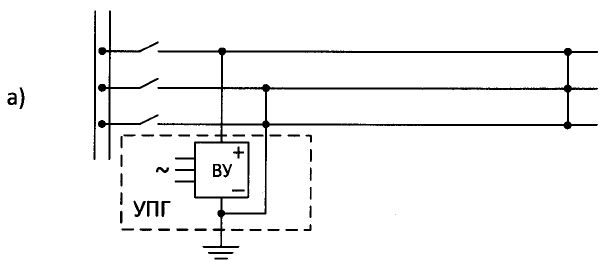
а) фаза - две фазы одной выпрямительной установки (далее - ВУ) на одной подстанции (далее - ПС);
(в ред. Приказа Минэнерго России от 11.08.2023 N 629)
(см. текст в предыдущей редакции)
б) фаза - две фазы двумя ВУ на двух ПС;
(в ред. Приказа Минэнерго России от 11.08.2023 N 629)
(см. текст в предыдущей редакции)
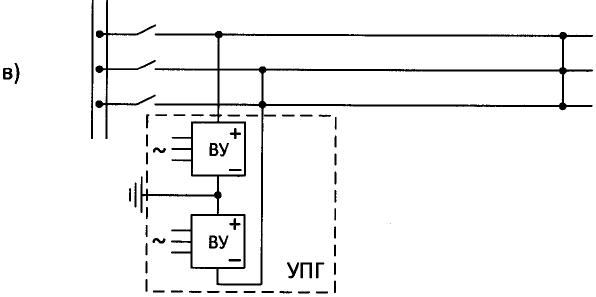
в) фаза - две фазы двумя ВУ на одной ПС;
(в ред. Приказа Минэнерго России от 11.08.2023 N 629)
(см. текст в предыдущей редакции)
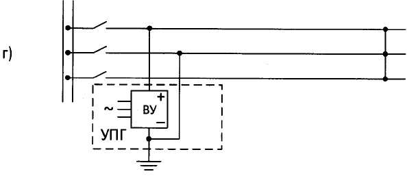
г) фаза - фаза одной ВУ на одной ПС;
(в ред. Приказа Минэнерго России от 11.08.2023 N 629)
(см. текст в предыдущей редакции)
д) фаза - фаза двумя ВУ на двух ПС;
(в ред. Приказа Минэнерго России от 11.08.2023 N 629)
(см. текст в предыдущей редакции)
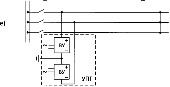
е) фаза - фаза двумя ВУ на одной ПС.
(в ред. Приказа Минэнерго России от 11.08.2023 N 629)
(см. текст в предыдущей редакции)
- Гражданский кодекс (ГК РФ)
- Жилищный кодекс (ЖК РФ)
- Налоговый кодекс (НК РФ)
- Трудовой кодекс (ТК РФ)
- Уголовный кодекс (УК РФ)
- Бюджетный кодекс (БК РФ)
- Арбитражный процессуальный кодекс
- Конституция РФ
- Земельный кодекс (ЗК РФ)
- Лесной кодекс (ЛК РФ)
- Семейный кодекс (СК РФ)
- Уголовно-исполнительный кодекс
- Уголовно-процессуальный кодекс
- Производственный календарь на 2025 год
- МРОТ 2026
- ФЗ «О банкротстве»
- О защите прав потребителей (ЗОЗПП)
- Об исполнительном производстве
- О персональных данных
- О налогах на имущество физических лиц
- О средствах массовой информации
- Производственный календарь на 2026 год
- Федеральный закон "О полиции" N 3-ФЗ
- Расходы организации ПБУ 10/99
- Минимальный размер оплаты труда (МРОТ)
- Календарь бухгалтера на 2026 год
- Частичная мобилизация: обзор новостей
- Постановление Правительства РФ N 1875





